Pruebas a relevadores de protección
Desde la puesta en servicio de subestaciones de distribución, transmisión, generación e industria hasta la verificación en sitio de los ...
Leer Más
Leer Más
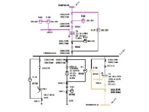
Diseño de sistemas de protección
Diseñamos con una visión integral de las diferentes necesidades indicadas por el cliente en conjunto con la detección de las ...
Leer Más
Leer Más
Estudios a sistemas eléctricos
Sin duda, uno de los sistemas más importantes y complejos que el hombre ha inventado es el Sistema Eléctrico de ...
Leer Más
Leer Más
Integración de sistemas
Contar con sistemas que supervisen la integridad del sistema, permite garantizar que las instalaciones se encontrarán disponibles el momento en ...
Leer Más
Leer Más
Pruebas eléctricas a equipo primario
Para el desarrollo de las pruebas eléctricas, Soluciones PCIM cuenta con equipos modernos que pueden ser utilizados en equipos primarios ...
Leer Más
Leer Más
Capacitación
Las ventajas de una capacitación continua del personal encargado de operar y/o analizar los sistemas eléctricos son: 1. Afianzar los ...
Leer Más
Leer Más