//Estudios a sistemas eléctricos

Estudios a sistemas eléctricos

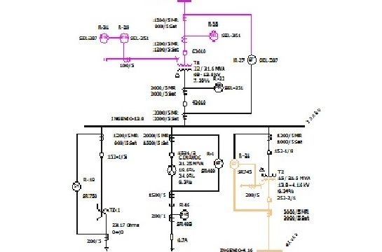
Sin duda, uno de los sistemas más importantes y complejos que el hombre ha inventado es el Sistema Eléctrico de Potencia. Esto debido a la alta no linealidad de los componentes que constituyen un sistema eléctrico y a las características propias de los procesos de generación, transmisión, distribución y utilización de la energía eléctrica.

Nuestras herramientas
• EASYPOWER
• NEPLAN
• SKM PowerTools
• ASPEN OneLiner

Nuestra oferta de estudios:
• Modelado de Sistemas Eléctricos
• Flujos de Potencia
• Corto Circuito
• Coordinación de Protecciones
• Evaluación de Riesgo por Arco Eléctrico
• Estabilidad Transitoria
• Calidad de la Energía
• Arranque de Motores
• Corrección de Factor de Potencia